2000 Diesel Generating Set
Request a Quote
Description of 2000 Diesel Generating Set
- State-of-the-art design, convenient maintenance
- No leakage of oil, water and gas
- Power: 300~800kW
- Net weight: 3000~8000Kg
- No-load voltage regulation: 95~105% of rated voltage
- Diesel generator can be customized upon request
Click Here to
Applications
The diesel engine it used can meet the power requirements of drilling rigs, engineering machinery etc. In addition, two or more diesel generating sets can be used to form a power station.
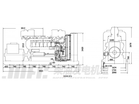
The project drawing of exterior view and interface size
Specification of 2000 Diesel Generating Set
| Set model | Diesel engine model | Generator model | Rated power (kW) | Rated voltage (V) | Rated frequency (HZ) | Overall dimensions L*B*H (mm) | Net weight (Kg) |
| 300GF4 | G8V190PZL-2 | 1FC5404-6TA42 | 300 | 400/230 | 50 | 5270×2040×2778 | 3000 |
| 500GF17-2 | G12V190ZLD1-2 | 1FC6456-6LA4 | 500 | 400/230 | 50 | 5925×2040×2678 | 5000 |
| 700GF1-3 | G12V190ZLD1 | 1FC6456-4LA4 | 700 | 400/230 | 50 | 5925×2040×2678 | 7000 |
| 700GF1-K3 | G12V190ZLD1 | LV1634D2 | 700 | 400/230 | 50 | 4515×2040×2678 | 7000 |
| 800GF4-7 | G12V190ZLD2 | 1FC6502-4LA42 | 800 | 400/230 | 50 | 5925×2040×2678 | 8000 |
| 800GF4-K1 | G12V190ZLD4 | 1FC6502-4LA42 | 800 | 400/230 | 50 | 4515×2040×2678 | 8000 |
| 800GF4-K4 | G12V190ZLD4 | LV1634E2 | 800 | 400/230 | 50 | 4515×2040×2678 | 8000 |
| 800GF6 | G12V190ZLD5 | JFG5001-4/6300 | 800 | 6300 | 50 | 5925×2040×2678 | 8000 |
| 800GF7 | G12V190ZLD5 | 1FC6502-4LA42 | 800 | 400/230 | 50 | 5925×2040×2678 | 8000 |
| 800GFZ-1 | G12V190ZLD3 | 1FC6502-4LA42 | 800 | 400/230 | 50 | 5925×2040×2678 | 8000 |
Main Electrical Performance Data
| Voltage | Frequency | ||||||
| Steady-state adjusting rate | Transient-state adjusting rate | Stable time | Fluctuation rate | Steady-state adjusting rate | Transient-state adjusting rate | Stable time | Fluctuation rate |
| ±2.5% | ﹣15%~ 20% | 1.5S | 0.5% | 5% | ±10% | 7S | 0.5% |
| Voltage regulation range: no-load voltage regulation: 95~105% of rated voltage | |||||||
Control Panel
The control panel of the diesel generating set is mainly used to control the power transmission of generator sets, providing protections for lack-voltage, over-current, automatic speed regulation and reverse power. Meanwhile, it also can monitor such parameters as revs, water temperature, oil temperature, oil pressure and exhaust temperature, with a sound-light alarming output system.

